Oil Pump for 2001 Chrysler Prowler
No.
Part # / Description / Price
Price
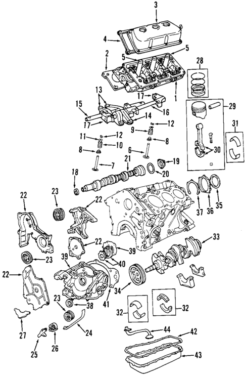
1
Cylinder Head 1
Mopar
Mopar Description: Charger, Magnum, 300. All models. Nitro. Sebring, Avenger. Journey. Pacifica. Challenger. Prowler.
2
Head Gasket
Mopar
Mopar Description: Charger, Magnum, 300. Right. Nitro. All models. Sebring, Avenger. Journey. Pacifica. Challenger. Prowler.
2
Head Gasket
Mopar
Mopar Description: Charger, Magnum, 300. Left. Nitro. All models. Sebring, Avenger. Journey. Pacifica. Challenger. Prowler.
4
Valve Cover Gasket
Mopar
Mopar Description: All models. Charger, Magnum, 300. 3.2 & 3.5L. Pacifica. 1999-02. Prowler.
6
Intake Valve
Mopar
Mopar Description: Charger, Magnum, 300. All models. Nitro. Sebring, Avenger. Journey. Pacifica. Challenger. Prowler.
7
Exhaust Valve
Mopar
Mopar Description: All models. Charger, Magnum, 300. Nitro. Pacifica. Prowler. Sebring, Avenger.
8
Valve Seals
Mopar
Mopar Description: Charger, Magnum, 300. Nitro. Sebring, Avenger. Journey. All models. 3.2l. Pacifica. All models. 3.5l. Challenger. Prowler.
9
Intake Valve Spring
Mopar
Mopar Description: Charger, Magnum, 300. All models. Intake. Sebring, Avenger. Journey. Pacifica. Challenger. Prowler.
11
Valve Retainer
Mopar
Mopar Description: Charger, Magnum, 300. All models. Nitro. Sebring, Avenger. Journey. Pacifica. Challenger. Prowler.
12
Valve Keeper
Mopar
Mopar Notes: Parts & Price Is For Half Of One Lock.
Description: VALVE SPRING RETAINER
MSRP $9.35 CAD
$7.00 CAD
MSRP $9.35 CAD
$7.00 CAD
13
Intake Rocker Arm
Mopar
Mopar Description: Right. All models. Nitro. Sebring, Avenger. Journey. Pacifica. Charger, Magnum, 300. Challenger. Prowler.
MSRP $133.00 CAD
$82.23 CAD
MSRP $133.00 CAD
$82.23 CAD
14
Exhaust Rocker Arms
Mopar
Mopar Description: Charger, Magnum, 300. Nitro. Sebring, Avenger. Journey. Pacifica. Prowler. All.
15
Intake Rocker Shaft
Mopar
Mopar Description: Charger, Magnum, 300. All models. Nitro. Sebring, Avenger. Journey. Pacifica. Challenger. Prowler.
16
Exhaust Rocker Shaft
Mopar
Mopar Description: Charger, Magnum, 300. All models. Nitro. Sebring, Avenger. Journey. Pacifica. Challenger. Prowler.
17
Rocker Shaft Pedestal
Mopar
Mopar Description: All models. Center. Pacifica. Charger, Magnum, 300. Prowler.
17
Rocker Shaft Pedestal
Mopar
Mopar Description: All models. Front. Charger, Magnum, 300. Pacifica. Prowler.
18
Camshaft Seal
Mopar
Mopar Description: Charger, Magnum, 300. All models. Nitro. Sebring, Avenger. Journey. Pacifica. Challenger. Prowler.
20
Thrust Plate Seal
Mopar
Mopar Description: All models. Charger, Magnum, 300. Pacifica. For Camshaft Thrust Plate. O-Ring. Prowler.
22
Inner Timing Cover
Mopar
Mopar Description: All models. Rear. Right. 3.2L & 3.5L. Prowler. Inner. 1999-02.
22
Inner Timing Cover
Mopar
Mopar Description: All models. Front. 3.2L & 3.5L. Upper. Prowler. Outer. Left. 1999-02.
22
22
Outer Timing Cover
Mopar
Mopar Description: All models. Front. 3.2L & 3.5L. Prowler. Outer. Right. 1999-02.
27
Engine Timing Cover
Mopar
Mopar Description: 3.2 & 3.5L, crankshaft sprocket. All models. Rear. Left. Lower. 1999-02. Prowler.
28
Piston Ring Set
Mopar
Mopar Notes: Complete Set Of Piston Rings For 6 Pistons.
Description: Charger, Magnum, 300. Nitro. All models. Sebring, Avenger. Journey. Pacifica. Challenger. Prowler.
29
31
Connecting Rod Bearing
Mopar
Mopar Notes: Includes: Upper & Lower Bearings For 1 Connecting Rods.
Description: All models. Charger, Magnum, 300. Pacifica. Prowler.
MSRP $32.65 CAD
$24.48 CAD
MSRP $32.65 CAD
$24.48 CAD
32
Main Bearings
Mopar
Mopar Notes: Includes: One Upper & Lower Bearings.
Description: Charger, Magnum, 300. Main bearings. All models. No. 1, 3 & 4. Sebring, Avenger. Journey. Pacifica. Challenger. Prowler.
32
Engine Crankshaft Thrust Washer
Mopar
Mopar Notes: Includes: One Upper & Lower Bearings.
Description: All models. No. 2. Charger, Magnum, 300. Sebring, Avenger. Journey. Pacifica. Bearing. Challenger. Prowler.
33
Crankshaft 1
Mopar
Mopar Description: Charger, Magnum, 300. All models. 3.5l. Sebring, Avenger. Journey. Pacifica. Challenger. Prowler.
38
MSRP $35.45 CAD
$26.58 CAD
42
43
Oil Pan
Mopar
Mopar Description: 3.2L & 3.5L, with heavy duty. All models. 3.2 & 3.5L. Heavy Duty Cooling. Vendor:mopar. 1999-02. Prowler.
1 This price excludes a refundable manufacturer's core charge. Add the part to your cart to see the core charge.


