Front Brakes for 1989 Dodge Dakota
No.
Part # / Description / Price
Price
4
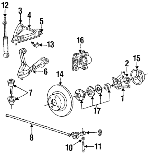
Wheel Bearing Cup
Mopar
Mopar Positions: Left
Description: Without 4000 lb axle, inner. 2wd, inner, 5 stud rotor. Inner cup. Full size vans. Without B350 van. Exc.4,000 Lbs. Front Axle.
No.
Part # / Description / Price
Price
7
Lower Ball Joint
Mopar
Mopar Positions: Left
Notes: PARTS: Part is included with lower control arm.
Description: Durango. Dakota.
12
Related Parts
Part # / Description / Price
Price
Caliper Overhaul Kit
Mopar
Mopar Description: Dakota. Dust boot. Vendor:teves. Incl.Boot and Seal. Complete.
Disc Brake Bushing
Mopar
Mopar Positions: Front
Description: 4wd. 2wd. Incl.Sleeve. Vendor:teves. Exc.Brake Pad Wear Indicator. Standard Duty Brakes. Heavy Duty Brakes.




